GDV25 | 25-30L/min
Monoblock Directional Control Valve
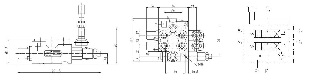
Among our six monoblock directional control valve series, the GDV25 stands out for its flow range of 25-170 L/min. It offers various spool functions designed to control double-acting cylinders, single-acting cylinders, and hydraulic motors. This versatility ensures the GDV25 series can meet a wide array of hydraulic system requirements, providing precise control and efficient operation across different applications.
Features
- Valve body is manufactured from integral grey cast iron.
- Spring cap and mechanical detent cap are made from die-cast aluminum.
- Parallel circuit, and inlet port has a load check valve.
- Manual control and wire pulling control modules available.
- Optional power beyond.
- Optional mechanical positioning.
- Spool with various functions is available: for controlling dual-acting cylinder or single-acting cylinder, spool for hydraulic motor.
- Small operating force and excellent flow characteristics.
- Spool number: 1 - 6 is available.
| Rated Flow | 25 L/min |
| Max Flow | 30 L/min |
| Max Pressure | 250bar |
| Internal leakage (70 bar): A/B to T | 30-35 CC/min |
| Fluid Temperature Range | |
| With NBR(BUNA-N) Seals | -20C° - 80C° |
| With FPM (VITON) Seal | -20C° - 100C° |
| Spool Stroke (1/2position) | +5.5/-5.5 mm |
| With Floating Function (1/2 and F position) | +5.5/-5.5 -8 mm |
| Viscosity Range | 15-75 mmA2/s |
| Ambient Temperature Range | -40C°- 60C° |
The GDV25 series of monoblock directional control valves from GRH is broadly utilized across various sectors, including industrial equipment, agricultural machinery, and construction machinery. Its application in devices such as wheel loaders, forklifts, and log splitters underscores its adaptability and efficiency, making it a vital component in enhancing the performance and reliability of machinery in these fields.















