2.8PF | 6-45ml/r
Hydraulic Gear Pump
Within the selection of ten hydraulic gear pump series, offering a displacement range from 0.16 to 199 ml/r, the 2.8PF series stands out for its adaptability to a wide variety of operational conditions. This series is distinguished by its displacement range of 6-45 ml/r, making it ideal for applications that demand higher hydraulic flow rates.
Key features of the 2.8PF series include
- A versatile displacement range from 6 to 45 ml/r, suitable for both single and multi-unit configurations.
- Automatic axial clearance compensation, ensuring long-term efficiency and performance.
- Manufactured with precision using imported CNC machining equipment, guaranteeing the highest levels of quality.
- The 2.8PF series is known for its reliable quality and stable performance, embodying our dedication to hydraulic engineering and innovation.
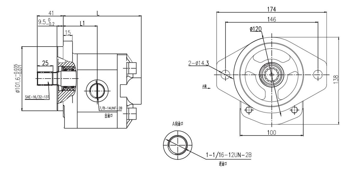
Dimensions
| Model | Displacement (ml/r) | Pressure (bar) | Speed(r/min) | L(mm) | |||
| Rated | Peak | Rated | Max | Min | |||
| 6 | 250 | 280 | 2000 | 4000 | 800 | 115 | |
| 8 | 250 | 280 | 2000 | 4000 | 800 | 117 | |
| 10 | 250 | 280 | 2000 | 4000 | 700 | 119 | |
| 12 | 250 | 280 | 2000 | 3500 | 700 | 121.5 | |
| 14 | 250 | 280 | 2000 | 3500 | 600 | 123.5 | |
| 16 | 250 | 280 | 2000 | 3500 | 600 | 125.5 | |
| 19 | 250 | 280 | 2000 | 3000 | 500 | 128.5 | |
| 22 | 250 | 280 | 2000 | 3000 | 500 | 132 | |
| 25 | 250 | 280 | 2000 | 3000 | 500 | 135 | |
| 28 | 250 | 280 | 2000 | 3000 | 500 | 138.5 | |
| 30 | 230 | 250 | 2000 | 3000 | 500 | 140.5 | |
| 32 | 230 | 250 | 2000 | 3000 | 400 | 142.5 | |
| 36 | 200 | 230 | 1500 | 2750 | 400 | 147 | |
| 40 | 200 | 230 | 1500 | 2750 | 400 | 151.5 | |
| 43 | 170 | 190 | 1500 | 2500 | 400 | 154.5 | |
| 45 | 170 | 190 | 1500 | 2500 | 400 | 156.5 | |
The 2.8PF series, resulting from independent research and development, merges the characteristics of the 2.5PF and 3PF series, offering a balance in displacement and pressure. This strategic combination allows the 2.8PF series to be widely applicable in scenarios requiring medium displacement. Its design is a testament to the adaptability and versatility necessary for diverse hydraulic system demands, enabling it to excel across various operational contexts.














