1MF | 1.1-8ml/r
Hydraulic Gear Motor
Among the seven hydraulic gear motor series, the 1MF distinguishes itself with an impressive displacement range from 1.1 to 8.5 ml/r. It is specifically engineered to thrive in environments demanding high contamination resistance. The 1MF series, with its straightforward yet robust construction, delivers unparalleled reliability. Features such as its automatic axial clearance compensation and wear-resistant bushings ensure a prolonged lifespan, making the 1MF series a resilient and versatile option for various applications.
Key features of the 1MF series include
- A displacement range that covers from 1.1 to 8.5 ml/r, catering to diverse operational needs.
- Enhanced load-bearing capabilities and increased longevity.
- Equipped with automatic axial clearance compensation for sustained high performance.
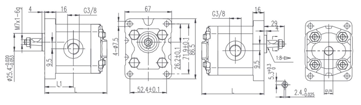
| Displacement (ml/r) | 1.1 | 1.6 | 2.1 | 2.7 | 3.2 | 3.7 | 4.2 | 4.8 | 5.8 | 6.5 | 8 |
| L1(mm) | 33 | 35 | 36 | 37 | 38 | 39 | 40 | 41 | 43 | 44 | 47 |
| L(mm) | 75 | 78 | 79 | 81 | 83 | 85 | 87 | 89 | 93 | 95 | 101 |
| Model Number | |||
| Displacement (ml/r) | 1.1 to 5.1 | 5.1 to 8.5 | |
| Pressure (bar) | P1 Rated | 200 | 200 |
| P2 Intermittent | 230 | 230 | |
| P3 Peak | 250 | 250 | |
| Speed (r/min) | Max | 4000 | 3600 |
| Min | 650 | 650 | |
| Total Efficiency (T>%) | 78 | ||
| Volumetric Efficiency (V>%) | 92 | ||
| Mechanical Efficiency (M>%) | 85 | ||
The 1MF series gear motors are key in driving fan cooling systems, delivering efficient power from the shaft. They play a pivotal role in thermal management across various heavy machinery, including road rollers, excavators, and bulldozers. These applications highlight the motors' effectiveness in maintaining operational efficiency and prolonging the life of essential equipment.




















