3.5MF | 52-115ml/r
Hydraulic Gear Motor
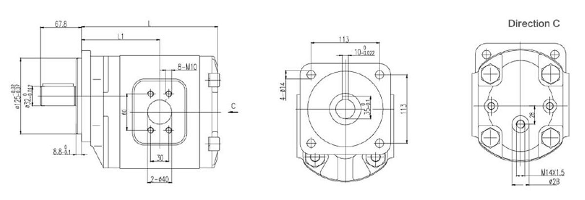
The 3.5MF series, part of the seven hydraulic gear motor series offered by GRH, distinguishes itself with a displacement range of 52-115 ml/r. This series is engineered for superior contamination resistance, simplicity, and high reliability. It boasts an automatic axial clearance compensation feature and wear-resistant bushings, significantly extending its service life.
Some characteristics of the 3.5MF series include
- A substantial displacement range from 52 to 115 ml/r, accommodating a wide array of hydraulic needs.
- Enhanced load capacity and durability, ensuring longer operational life.
- The inclusion of automatic axial clearance compensation for consistent and efficient performance.
| Displacement (ml/r) | 22 | 26 | 39 |
| L1(mm) | 66 | 67 | 71 |
| L(mm) | 131 | 134 | 143 |
The 3.5MF series gear motors are widely applied in cooling systems and serve as mixing motors in small cement mixers. Their design ensures they are a crucial component in the efficient operation of cooling mechanisms, vital for machinery such as road rollers, excavators, and bulldozers. Additionally, their reliability and performance in cement mixing operations make them indispensable in the construction industry, where consistent and robust mixing capabilities are required.















