2PF | 4-30ml/r
Hydraulic Gear Pump
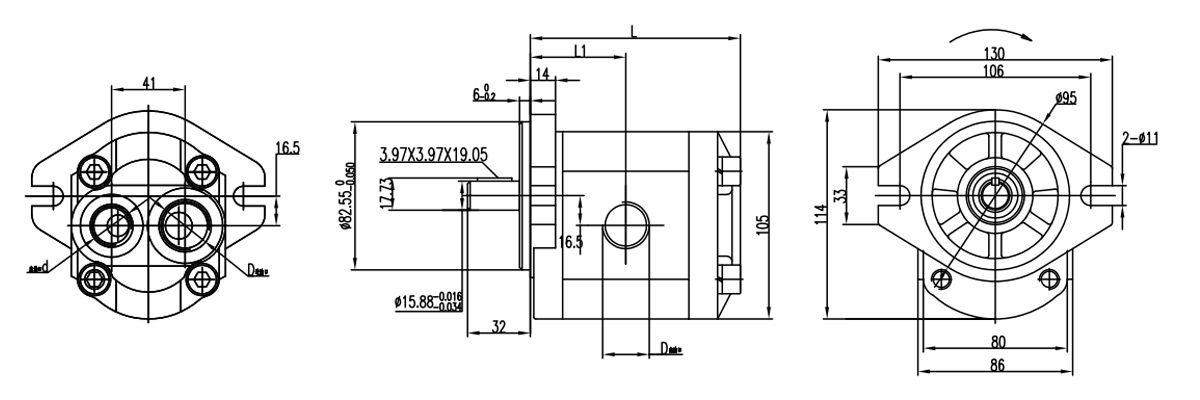
The 2PF series gear pumps are widely utilized and are among our most popular series. These pumps are versatile enough to be used in hydraulic stations and within the sector of construction machinery. They are particularly effective in aerial work platforms and scissor lift platforms. Additionally, these pumps can serve as pilot pumps for main pumps. Their broad applicability and reliable performance make them an excellent choice for a range of hydraulic applications, from lifting equipment to complex machinery in engineering projects.
| Model | Displacement (ml/r) | Pressure (bar) | Speed (r/min) | L | L1 | Inlet port | Outlet port | |||
| Nominal | Max. | Nominal | Max. | Min. | (mm) | (mm) | ||||
| 4 | 200 | 250 | 2000 | 3500 | 500 | 96 | 43.3 | PT 1/2 | PT 1/2 | |
| 6 | 200 | 250 | 2000 | 3500 | 500 | 98 | 45 | |||
| 8 | 200 | 250 | 2000 | 3500 | 500 | 102 | 46.5 | |||
| 10 | 200 | 250 | 2000 | 3500 | 500 | 104 | 48 | |||
| 12 | 200 | 250 | 2000 | 3500 | 500 | 108 | 50 | PT 3/4 | PT 1/2 | |
| 14 | 200 | 250 | 2000 | 3500 | 500 | 110 | 51 | |||
| 16 | 200 | 250 | 2000 | 3500 | 500 | 114 | 53 | |||
| 18 | 200 | 250 | 2000 | 3500 | 500 | 117 | 55 | |||
| 20 | 200 | 250 | 2000 | 3500 | 500 | 120 | 56 | |||
| 23 | 200 | 250 | 2000 | 3000 | 500 | 123 | 58 | |||
| 25 | 200 | 250 | 2000 | 3000 | 500 | 128 | 60 | |||
| 28 | 160 | 200 | 2000 | 3000 | 500 | 133 | 63 | |||
| 30 | 160 | 200 | 2000 | 3000 | 500 | 136 | 64 | |||
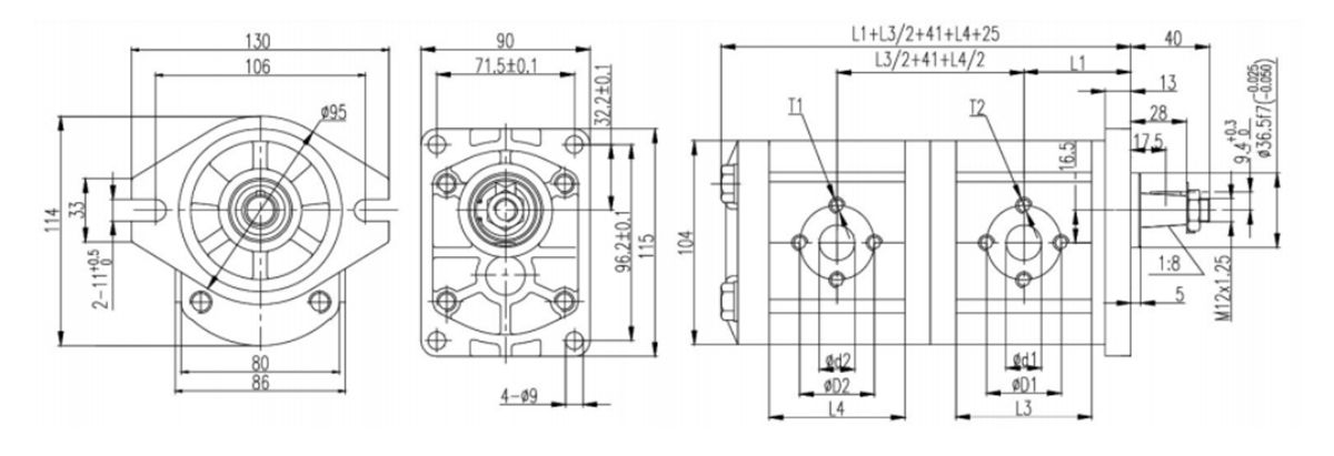
| Model | Displacement (ml/r) | Pressure (bar) | Speed (r/min) | L | L1 | Inlet port | Outlet port | |||||||
| Nominal | Max. | Nominal | Max. | Min. | (mm) | (mm) | ØD1 | Ød1 | T1 | ØD2 | Ød2 | T2 | ||
| 4 | 200 | 250 | 2000 | 3500 | 500 | 95.5 | 43.3 | 30 | 13 | M6 | 3 | 13 | M6 | |
| 6 | 200 | 250 | 2000 | 3500 | 500 | 99 | 45 | |||||||
| 8 | 200 | 250 | 2000 | 3500 | 500 | 102 | 46.5 | |||||||
| 10 | 200 | 250 | 2000 | 3500 | 500 | 105 | 48 | 40 | 20 | M8 | ||||
| 12 | 200 | 250 | 2000 | 3500 | 500 | 108 | 49.5 | |||||||
| 14 | 200 | 250 | 2000 | 3500 | 500 | 111 | 51 | |||||||
| 16 | 200 | 250 | 2000 | 3500 | 500 | 114 | 52.5 | |||||||
| 18 | 200 | 250 | 2000 | 3500 | 500 | 117.5 | 54.3 | |||||||
| 20 | 200 | 250 | 2000 | 3500 | 500 | 121 | 56 | |||||||
| 23 | 200 | 250 | 2000 | 3000 | 500 | 125.5 | 58.3 | |||||||
| 25 | 200 | 250 | 2000 | 3000 | 500 | 128 | 59.5 | |||||||
| 28 | 160 | 200 | 2000 | 3000 | 500 | 133 | 62 | |||||||
| 30 | 160 | 200 | 2000 | 3000 | 500 | 136 | 63.5 | |||||||
| Model | Displacement (ml/r) | Constant flow (L/min) | Max. pressure (bar) | Speed (r/min) |
| 18 | 16 | 10 | 500-3200 |
| Model | Flow (gpm) | Pressure (Psi) | Displacement (Cu.in/r) | Speed (rpm) | D | Dimensions (in) | |||||
| Low | High | Low | High | Inlet port | Outlet port | L | L1 | L2 | |||
| 8 | 400/900 | 3000 | 0.385 | 0.13 | 3600 | 1 IN PIPE | 1/2 NPT | 6.07 | 3.74 | 2.41 | |
| 8.5 | 400/900 | 3000 | 0.385 | 0.183 | 6.21 | 3.90 | 2.41 | ||||
| 9 | 400/900 | 3000 | 0.385 | 0.22 | 6.28 | 3.90 | 2.74 | ||||
| 10 | 400/900 | 3000 | 0.537 | 0.13 | 6.41 | 4.08 | 2.74 | ||||
| 10.5 | 400/900 | 3000 | 0.537 | 0.183 | 6.54 | 4.08 | 2.74 | ||||
| 11 | 400/900 | 3000 | 0.537 | 0.22 | 6.61 | 4.24 | 2.74 | ||||
| 11.5 | 400/900 | 3000 | 0.537 | 0.256 | 6.70 | 4.24 | 2.74 | ||||
| 12 | 400/900 | 3000 | 0.665 | 0.13 | 6.70 | 4.37 | 3.04 | ||||
| 12.5 | 400/900 | 3000 | 0.665 | 0.183 | 6.90 | 4.53 | 3.04 | ||||
| 13 | 400/900 | 3000 | 0.665 | 0.22 | 7.00 | 4.53 | 3.04 | ||||
| 13.5 | 400/900 | 3000 | 0.665 | 0.256 | 7.09 | 4.53 | 3.04 | ||||
| 16 | 400/900 | 3000 | 0.793 | 0.265 | 6.70 | 4.37 | 3.04 | ||||
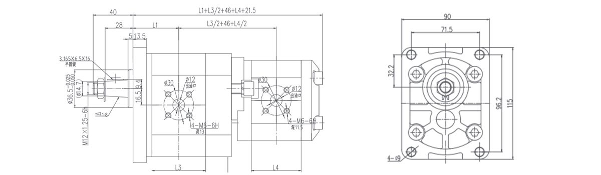
| Displacement (ml/r) | 4 | 6 | 8 | 10 | 12 | 14 | 16 | 18 | 20 | 23 | 25 |
| L1(mm) | 42.3 | 44 | 45.5 | 47 | 48.8 | 50 | 52 | 54 | 55 | 58 | 59 |
| L3(mm) | 50.5 | 54 | 57 | 60 | 63 | 66 | 69 | 72.5 | 76 | 80.5 | 83 |
| Displacement (ml/r) | 1.3 | 2 | 2.7 | 3.4 | 4.1 | 5.1 | 6.1 | / | / | / | / |
| L4(mm) | 44 | 46 | 48 | 50 | 52 | 55 | 58 | / | / | / | / |
| Displacement (ml/r) | 4 | 6 | 8 | 10 | 12 | 14 | 16 | 18 | 20 | 23 | 28 | 30 |
| L3/L4(mm) | 50.5 | 54 | 57 | 60 | 63 | 66 | 69 | 72.5 | 76 | 80.5 | 88 | 91 |
| L(mm) | 96 | 98 | 102 | 104 | 108 | 110 | 114 | 117 | 120 | 123 | 133 | 136 |
| L1(mm) | 43.3 | 45 | 46.5 | 48 | 50 | 51 | 53 | 55 | 56 | 58 | 63 | 64 |
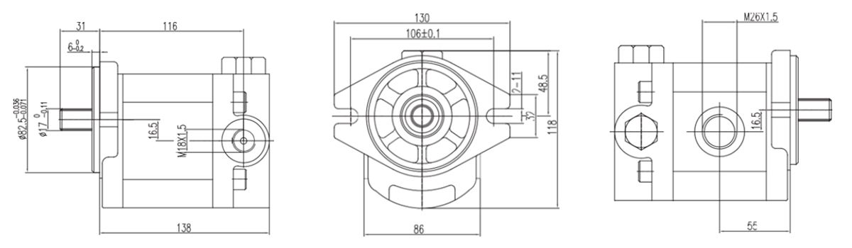
| Model | Displacement (ml/r) | Pressure (bar) | Speed (r/min) | L | L1 | Inlet port | Outlet port | |||||||
| Nominal | Max. | Nominal | Max. | Min. | (mm) | (mm) | ¢D1 | ¢d1 | T1 | ¢D2 | ¢d2 | T2 | ||
| 4 | 200 | 250 | 2000 | 3500 | 500 | 87.9 | 42.2 | 40 | 15 | M6 | 30 | 15 | M6 | |
| 6 | 200 | 250 | 2000 | 3500 | 500 | 91.1 | 43.8 | |||||||
| 8 | 200 | 250 | 2000 | 3500 | 500 | 94.3 | 45.4 | |||||||
| 10 | 200 | 250 | 2000 | 3500 | 500 | 97.5 | 47 | 40 | 20 | M6 | ||||
| 12 | 200 | 250 | 2000 | 3500 | 500 | 110.7 | 48.6 | |||||||
| 14 | 200 | 250 | 2000 | 3500 | 500 | 114 | 50.2 | |||||||
| 16 | 200 | 250 | 2000 | 3500 | 500 | 109.5 | 51.2 | |||||||
| 18 | 200 | 250 | 2000 | 3500 | 500 | 113 | 52.8 | |||||||
| 20 | 200 | 250 | 2000 | 3500 | 500 | 116.5 | 55.3 | |||||||
| 23 | 200 | 250 | 2000 | 3000 | 500 | 121.5 | 56.9 | |||||||
| 25 | 200 | 250 | 2000 | 3000 | 500 | 124.7 | 58.5 | |||||||
| Model | Displacement (ml/r) | Pressure (bar) | Speed (r/min) | ||||||
| Front pump | Rear pump | ||||||||
| Front pump | Rear pump | Nominal | Max. | Nominal | Max. | Nominal | Max. | Min. | |
| 20 | 10 | 200/250 | 250/300 | 200/250 | 250/300 | 2500 | 3000 | 800 | |















































