2.5PF | 20-40ml/r
Hydraulic Gear Pump
Among the comprehensive selection of ten gear pump series, a displacement range from 0.16 to 199 ml/r is available, designed to cater to an extensive array of operational scenarios. The 2.5APF series is particularly noteworthy for its higher displacement capabilities, ranging from 20 to 40 ml/r, making it suitable for more demanding hydraulic applications.
Features of the 2.5APF series include
- Displacement options from 20 to 40 ml/r, providing versatility for single to multiple unit configurations.
- Equipped with automatic axial clearance compensation, enhancing performance and extending lifespan.
- Processed by CNC machining equipment, ensuring each pump meets the highest standards of quality.
- Known for its reliable quality and stable performance, the 2.5APF series is a testament to our dedication to hydraulic innovation and excellence.
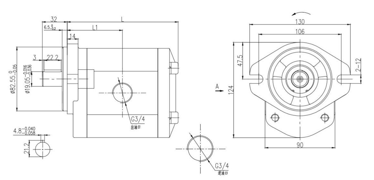
| Model | Displacement (ml/r) | Pressure (bar) | Speed (r/min) | L(mm) | L1(mm) | Inlet port | Outlet port | |||
| Nominal | Max. | Nominal | Max. | Min. | ||||||
| 20 | 200 | 250 | 2000 | 3000 | 500 | 124.5 | 61.5 | G 1 | G 3/4 | |
| 25 | 200 | 250 | 2000 | 3000 | 500 | 130.5 | 64.5 | |||
| 27 | 200 | 250 | 2000 | 3000 | 500 | 133 | 65.8 | |||
| 30 | 200 | 250 | 2000 | 3000 | 500 | 136.5 | 67.5 | |||
| 32 | 200 | 230 | 2000 | 3000 | 500 | 139 | 68.8 | |||
| 36 | 200 | 230 | 2000 | 3000 | 500 | 143.5 | 71 | |||
| 40 | 160 | 200 | 2000 | 3000 | 500 | 148.5 | 73.5 | |||
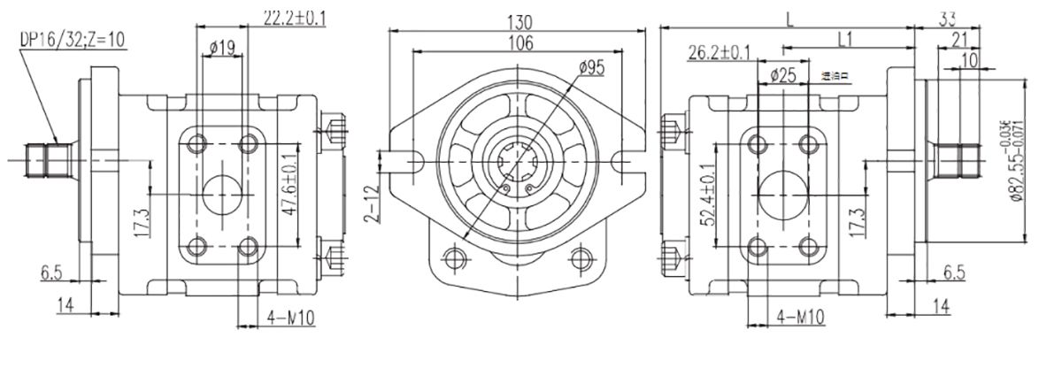
| Model | Displacement (ml/r) | Pressure (bar) | Speed (r/min) | L | L1 | Inlet port | Outlet port | |||
| Nominal | Max. | Nominal | Max. | Min. | (mm) | (mm) | ||||
| 20 | 200 | 250 | 2000 | 3000 | 500 | 124.5 | 61.5 | Ø25 | Ø19 | |
| 25 | 200 | 250 | 2000 | 3000 | 500 | 130.5 | 64.5 | |||
| 27 | 200 | 250 | 2000 | 3000 | 500 | 133 | 65.8 | |||
| 30 | 200 | 250 | 2000 | 3000 | 500 | 136.5 | 67.5 | |||
| 32 | 200 | 230 | 2000 | 3000 | 500 | 139 | 68.8 | |||
| 36 | 200 | 230 | 2000 | 3000 | 500 | 143.5 | 71 | |||
| 40 | 160 | 200 | 2000 | 3000 | 500 | 148.5 | 73.5 | |||
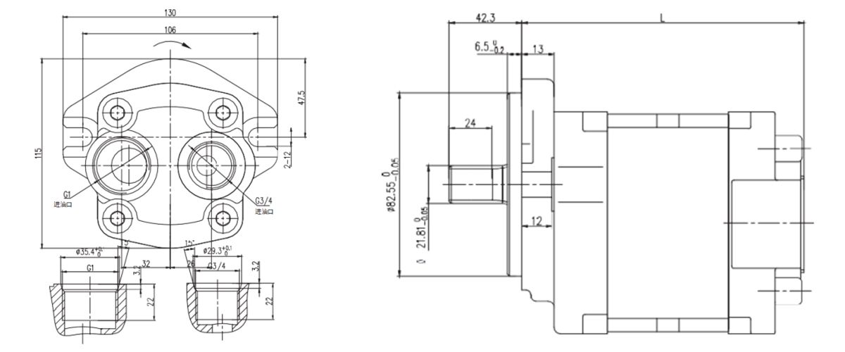
| Model | Displacement (ml/r) | Pressure (bar) | Speed (r/min) | L(mm) | Inlet port | Outlet port | |||
| Nominal | Max. | Nominal | Max. | Min. | |||||
| 16 | 200 | 250 | 1500 | 2500 | 500 | 101.5 | G 1 | G 3/4 | |
| 18 | 200 | 250 | 1500 | 2500 | 500 | 103.5 | |||
| 20 | 200 | 250 | 1500 | 2500 | 500 | 105.5 | |||
| 23 | 200 | 250 | 1500 | 2500 | 500 | 108.5 | |||
| 25 | 200 | 250 | 1500 | 2500 | 500 | 110.5 | |||
| 28 | 200 | 250 | 1500 | 2500 | 500 | 113.5 | |||
| 30 | 200 | 250 | 1500 | 2500 | 500 | 115.5 | |||
| 32 | 200 | 250 | 1500 | 2500 | 500 | 117.5 | |||
| 36 | 200 | 250 | 1500 | 2500 | 500 | 121.5 | |||
| 40 | 200 | 250 | 1500 | 2500 | 500 | 125.5 | |||
| 45 | 200 | 250 | 1500 | 2500 | 500 | 130.5 | |||
| 52 | 200 | 250 | 1500 | 2500 | 500 | 137.5 | |||
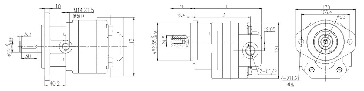
| Model | Displacement (ml/r) | Pressure (bar) | Speed (r/min) | Inlet port | Outlet port | |||||||
| Nominal | Max. | Nominal | Max. | Min. | L1xB1 | T1 | Ød1 | L1xB2 | T2 | Ød2 | ||
| 25 | 250 | 280 | 1500 | 2500 | 500 | 52.4 X 26.2 | M10 | 25 | 47.6 X 22.2 | M10 | 19 | |
| Model | Displacement (ml/r) | Pressure (bar) | Speed (r/min) | L (mm) | L1 (mm) | |||
| Nominal | Max. | Nominal | Max. | Min. | ||||
| 10.16 | 210 | 250 | 2000 | 3000 | 600 | 137 | 112 | |
| 15.23 | 210 | 250 | 2000 | 3000 | 600 | 143.5 | 118.5 | |
| 20.31 | 210 | 250 | 2000 | 3000 | 600 | 150 | 125 | |
| 25.39 | 210 | 250 | 2000 | 3000 | 600 | 156.5 | 131.5 | |
| 30.47 | 210 | 250 | 2000 | 3000 | 600 | 163 | 138 | |
| 35.54 | 180 | 210 | 2000 | 3000 | 600 | 169.5 | 144.5 | |
| 40.62 | 180 | 210 | 2000 | 3000 | 600 | 176 | 151 | |
The 2.5APF series, predominantly designed for forklifts—often referred to as forklift pumps—caters to a variety of material handling needs with three distinct models. Tailored to accommodate different forklift designs and functionalities, these pumps enhance efficiency and performance in material handling, ensuring the 2.5APF series supports the critical operations of diverse machinery in the industrial sector.



































